Установка для испытания домкратов купить с доставкой по всей России
Увеличить
Описание
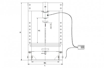
- При испытании в cтатике испытуемый домкрат создает нагрузку на тензодатчик, значение назгузки выводится на дисплей контроллера.;
- При испытании в динамике испытываемый домкрат передает нагрузку через тензодатчик на гидроцилиндр пресса, который при движении стравливает жидкость через клапан регулировочно-предохранительный, позволяя снимать нагрузку с тензодатчика в динамике и выводить её на контроллер.
Модель ППК100СДИ работает в статическом и динамическом пространстве.
Модели ППК50СДИ, ППК150СДИ работают в статическом пространстве.
В комплекте с прессами идут защитные стенки для безопасного использования.
Модель ППК100СДИ рекомендуется комплектовать насосной станцией НЭЭ-1,6И10Т1






